Auto power cut off timer circuit
An automatic timer switch turns OFF a load itself after a fixed period of time. The circuit will be useful for various devices which we forget to turn OFF such as light, alarm, indicator circuits, etc.
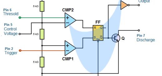
The circuit consists of a monostable multivibrator using a 555 IC. The monostable circuit has a one-shot pulse output for a single triggering pulse. When we power the circuit, it triggers automatically and remains in the ON state for a preset time duration.

The circuit can obtain a maximum ON time of 27.5 minutes. The time period can be adjusted by varying the potentiometer R1. Measure the adjusted resistance of the potentiometer and substitute the value in the below equation.
ON Time period = 1.1 R C (Here in the circuit R=R1, C=C2).
To turn off the Load manually, just open the supply switch. To restart the load after the ON period, just turn OFF the switch and then ON again. As the capacitor C3 at trigger pin requires a discharge time of a very short period, the restart may require a small time interval between OFF and ON of the supply.
The output of the circuit drives an SPST relay through a transistor. The load should have connected in series through the Common and Normally open terminals of the relay. That is one of the terminals (Com or NO) connects with the supply line and other to the load.
Components required
IC1 – NE555
Resistor – R1 – 1M pot, R2 – 10k
Capacitor – C1 – 100uf, C2 – 1500nf, C3 – 33pf, C4 – 100nf
Transistor – Q1 – BC547
Diode – D1,D2,D3,D4,D5 – 1N4007
Relay – SPST 12V, 200ohms
Transformer – T1- 230v / 12V
Switch – SPST
How can i increase the maximum on time for 4 hours ? please help
Theoretically, you can achieve an on-time of 4 hours by using an RC value of 13090.90.
4 Hours = 14400 seconds
T = 14400 = 1.1 RC
RC = 13090.90
For example, if you take a 4700uf capacitor as C1, then R1 will be approximately equal to 2.9M ohms(13090.90/4700u). You can use a combination of resistors and capacitors to obtain the required R1 and C1 values. Also, a potentiometer can be used to obtain the exact resistance.