IC 4017 Decade counter Basics with Pinout
IC 4017 is a CMOS decade counter IC consists of a 5 stage Johnson counter with 10 decoded outputs that can count up to 10 decimals. It can be used for a variety of...
IC 4017 is a CMOS decade counter IC consists of a 5 stage Johnson counter with 10 decoded outputs that can count up to 10 decimals. It can be used for a variety of...
A touch switch is a device that operates with the touch action of an object or sensible material. It is used in hobby circuits to high-end consumer electronics for various applications. Below are a...
The here circuit is for a single channel Infrared remote controller which can be used to control home appliances and devices. The IR remote controller consists of a receiver circuit similar to a latching...
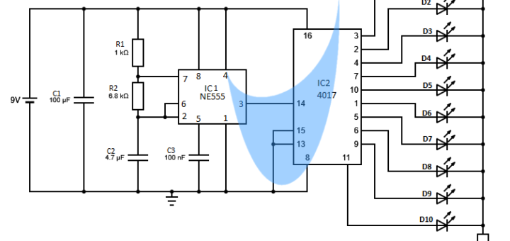
An LED chaser or LED running light can be used as a decorative light, fancy light, chasing taillight for vehicles, etc. The circuit consists of a 555 astable multivibrator circuit and a 4017 counter...
A Push On Push off latching switch can use to ON and OFF the load alternatively with the same push action. Push on push off switch using 4017 This circuit is using a decade...
A non-contact AC detector is an easy and safe AC live line tester device. It can detect the presence of an alternating current through a conductor without any electrical contact. This is a very...